XFC550系列变频器在工业洗衣机上的应用
随着工艺要求的不断提高,工业洗衣机从普通型发展到全自动型,目前全自动型工业洗衣机多数采用多台双速交流电动机,由于结构简单、牢固、价格便宜等特点,得到广泛的应用。但其缺点是调速性能差,速度突变大,振动大。随着电力半导体技术的发展,近些年来,交流变频调速器在工业洗衣机应用已较为普及,工业洗衣机对变频器的要求越来越高,要求能够满足工业洗衣机要求高启动转矩、多段速、宽电压范围、自动转差补偿和快捷强大的通讯方式等技术难点。而且性能稳定,能适应各种复杂的高温、高湿的环境。
工业洗衣机工业原理
全自动工业洗衣机是指具有初洗、洗涤、漂洗、漂白和脱水等功能,并且各功能之间不需要人工操作,就能实现自动转换的大容量洗衣机。全自动工业洗衣机的工作原理是,在时序控制器的统一调度管理下,通过变频器控制异步电动机不间断地执行正反旋转以实现水和衣物的不同步运动,从而使水和衣物等相互摩擦、揉搓,达到洗净的目的。
其主要有以下洗涤程序:

工业洗衣机结构图

工业洗衣机外观图

工业洗衣机的传动系统
传动系统是工业洗衣机极其重要的组成部分,因主要为洗衣机提供动力支持而参与全部洗涤过程。传动系统由电动机和各种变速机构组成,现在主要使用变频器,故而显著简化了其组成部件,一般是由变频器、异步电动机、皮带轮及传动带等组成。且其整个洗涤阶段,随着变频器的频率自动调节而实现无冲击、无中间过渡(变速箱、变速装置或联轴器、离合器等)装置的恒转矩变速(无级调速),使洗涤过程的能耗得到明显下降。
洗衣机的传动系统示意图:

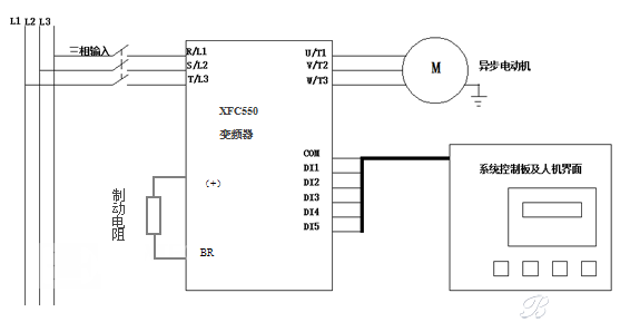
西驰XFC550变频器在工业洗衣机的传动系统中应用的原理
变频器电气连接图:

注意事项
变频器在工业洗衣机上面应用,如果发现力矩不够,由于使用矢量控制时变频器不好准确的进行电机参数自学习,若自学习不成功或者不准确,建议用VF模式。
全自动工业洗衣机因其工艺程序要求,在变频器选型时,一般都是在洗衣机所配备的电机额定功率基础上,放大一档功率等级配备变频器。具体标准为洗衣重量为变频器的额定功率*10(Kg),洗衣重量为变频器的额定功率*10(Kg)变频器需要自定义VF曲线,如果变频器加大一档基本上不要自定义VF曲线,只需要设定功能参数就可以了
考虑到现场使用情况,请注意以下几点:
1、由于整个系统的信号线比较多,电子电气设备比较多,变频器控制线与动力线要分开走线,防止被干扰;
2、安装时,要注意安装位置,保证散热通道畅通,满足散热要求;
3、防水、防腐要做好。
文章版权归西部工控xbgk所有,未经许可不得转载。















服务咨询